Anwendung von Flyerketten
Blattkette ist eine rolllose Kette das üblicherweise bei Gabelstaplern und anderen Materialtransportanwendungen verwendet wird. Die Flyerkette besteht aus Stahllaschen, die nebeneinander auf Bolzen montiert sind. Die Kontur des Glieds entspricht der Form einer Acht, die auch bei Standard-Rollenketten zu finden ist. Die Kette kann sich an jedem Stift biegen. Flyerketten werden in Spannverbindungsanwendungen verwendet, bei denen die Kette unter Spannung gehalten wird und in beide Richtungen bewegt werden kann. Flyerketten werden häufig in Gabelstaplern und anderen Materialtransportanwendungen eingesetzt. Die Flyerkette wird auch als Ankerkette und Ausgleichskette bezeichnet.
Anwendungen
Es gibt verschiedene Klassen und Anwendungen für Flyerketten. Dazu gehören die Agrarkette, Förderungskette, technische Stahlkette, Ölfeldkette und Kraftübertragungskette.
Landwirtschaftliche Blattketten werden für landwirtschaftliche Anwendungen verwendet.
Die Förderflyerkette ist speziell für den Einsatz in Förderanwendungen konzipiert. Zu dieser Kategorie gehören Rollenketten mit Spezialbefestigungen, Flachblattketten und Silentketten.
Flyerketten aus technischem Stahl werden aus bearbeitetem und gefertigtem Stahl hergestellt. Dieser Flyerkettentyp kann für eine Vielzahl industrieller Anwendungen eingesetzt werden.
Flyerketten für Ölfelder sind Hochleistungsketten, die gemäß den Richtlinien des American Petroleum Institute (API) getestet wurden.
Energieübertragung Flyerketten werden in Kraftübertragungsantriebsanwendungen eingesetzt.
Anwendungsbeispiel
Flyerketten werden für Gabelstaplermasten, als Balancer zwischen Kopf und Gegengewicht in Werkzeugmaschinen oder zum Ziehen bei niedriger Geschwindigkeit (Spanngestänge) eingesetzt. Dieser Kettentyp wird auch „Balance Chain“ genannt und wird durch ANSI B29.8M, JIS B 1804 und ISO 4347 reguliert. (Siehe Abbildung 1.23.)

Figure 1.23 Flyerkette und eine Flyerkettenanwendung
SPEZIFIKATIONEN
Die Spezifikationen für Flyerketten umfassen den Serientyp. Es gibt drei Haupttypen von Flyerkettenserien: AL-Serie, BL-Serie und LL-Serie.
Flyerketten der AL-Serie haben Laschen mit der gleichen Kontur und Dicke wie die Bolzenglieder der ANSI-Rollenkette mit der gleichen Teilung.
Flyerketten der BL-Serie sind für Laschen konzipiert, die dicker sind und eine größere Kontur haben als die Laschen der AL-Serie mit der gleichen Teilung. Die Laschen und Bolzen der BL-Serie sind mit denen der ANSI-Rollenkette der nächstgrößeren Teilung identisch.
Die Flyerkette der LL-Serie basiert auf den Kettenabmessungen des britischen Standards. Die Flyerkette der LL-Serie entspricht der internationalen Norm ISO 606.
Bei einigen Anbietern sind möglicherweise auch spezielle Flyerketten erhältlich.
Konstruktion und Funktionen
Diese Stahlketten haben einen sehr einfachen Aufbau: Laschen und Bolzen. Die Kettennummer gibt die Teilung und die Schnürung der Glieder an. (Sehen Figure 1.24.) Die Ketten verfügen außerdem über die unten aufgeführten Merkmale.
1. Hohe Zugfestigkeit pro Abschnittsfläche. Dies ermöglicht die Konstruktion kleinerer Geräte.
2. In dieser Serie gibt es Ketten vom Typ A und B. Sowohl die AL6-Serie als auch die BL6-Serie haben die gleiche Kettenteilung wie RS60 (19.05 mm), unterscheiden sich jedoch, wie in gezeigt Tabelle 1.10.
3. Diese Ketten können nicht mit Kettenrädern angetrieben werden.
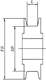
Kettenräder
Um die Richtung dieser Ketten zu ändern, werden Scheiben und keine Kettenräder verwendet (Figure 1.25).
Schnürung | 2/2 | 4/4 | 6/6 |
| | | |
Kettengröße | AL622 | AL644 | AL666 |
Schnürung | 2/3 | 3/4 | 4/6 |
| | | |
Kettengröße | BL623 | BL634 | BL646 |
Figure 1.24 Schnürmuster für Blattketten
Tabelle 1.10 Unterschied zwischen der AL6-Serie und der BL6-Serie | ||
AL6-Serie | BL6-Serie | |
Stiftdurchmesser | 5.94 | 7.90 |
Plattendicke | 2.4 | 3.2 |
Plattenhöhe | 15.6 | 18.1 |
Plattenschnürung | 2 × 2, 4 × 4 | 2 × 3, 3 × 4 |
Auswahl und Handhabung
1. Bei Rollenketten weisen alle Laschen aufgrund der Druckbeanspruchung durch Pressverbindungen eine höhere Ermüdungsfestigkeit auf. Bei Flyerketten werden nur zwei Außenlaschen eingepresst. Daher ist die Zugfestigkeit von Flyerketten hoch, die maximal zulässige Spannung jedoch niedrig. Benutzen Sie stets Schutzvorrichtungen und achten Sie besonders darauf, dass der Sicherheitsfaktor im Katalog des Herstellers angegeben ist. Verwenden Sie zusätzliche Sicherheitsfaktoren, wenn die Folgen eines Kettenausfalls schwerwiegend sind.
2. Je mehr Platten bei der Schnürung verwendet werden, desto höher ist die Zugfestigkeit. Dies führt jedoch nicht direkt zu einer Verbesserung der maximal zulässigen Spannung; Die Anzahl der verwendeten Platten kann begrenzt sein.
3. Die Bolzen gelenkig direkt auf den Platten, der Auflagedruck ist sehr hoch. Die Ketten müssen regelmäßig geschmiert werden. Für die meisten Anwendungen wird die Verwendung von Maschinenöl SAE 30 oder 40 empfohlen.
4. Wenn die Kettengeschwindigkeit mehr als 30 m/min beträgt oder die Kette mehr als 1,000 Mal am Tag bewegt wird, verschleißt sie auch bei Schmierung sehr schnell. In beiden Fällen verwenden Sie RS-Rollenketten.
5. Der AL-Typ sollte nur unter folgenden Bedingungen verwendet werden:
1. Es treten keine Stoßbelastungen auf.
2. Verschleiß ist kein großes Problem.
3. Die Anzahl der Zyklen beträgt weniger als 100 pro Tag.
Unter anderen Bedingungen sollte der BL-Typ in Betracht gezogen werden.
6. Wenn Sie eine Kette mit einem niedrigen Sicherheitsfaktor wählen, erhöht sich die Belastung in Teilen. Wenn die Kette in dieser Situation unter korrosiven Bedingungen verwendet wird, kann sie sehr schnell ermüden und brechen. Wenn Sie unter diesen Bedingungen arbeiten, führen Sie regelmäßig Wartungsarbeiten durch.
7. Die Form des Gabelkopfes hängt von der Art des Endgliedes der Kette (Außenglied oder Innenglied) ab. Hersteller stellen Gabelkopfbolzen oder Gabelkopfverbinder her, aber in der Regel stellt der Benutzer den Gabelkopf bereit (Abbildungen). 1.26 und 1.27). Die Litzen sollten vom Hersteller auf Länge geliefert werden. Ein falsch gefertigter Gabelkopf kann die Lebensdauer der Kette verkürzen. Wenden Sie sich an den Hersteller oder beziehen Sie sich auf den ANSI-Standard.
8. Die Garben werden in der Regel vom Anwender bereitgestellt.

Figure 1.25 Blattkettenscheibe

Figure 1.26 Blattkette

Figure 1.27 Blattkette
GIDI CHAIN LIMITED liefern viel Rollenkette, Förderungskette, , geschmiedete Kette, Kette der Palmölmühle, Hebekette,Bergwerks- und Metallurgiekette, etc. insgesamt über 3000 Sorten. und 90% der Ketten werden weltweit exportiert, die hauptsächlich nach Südostasien, Europa, Nordamerika und Südamerika exportieren. Ketten werden von den Kunden mit der ausgezeichneten Qualität begrüßt. Unser Unternehmen besitzt mehr als 100 Sätze fortschrittlicher und professioneller Produktionsanlagen. Ein perfektes und strenges QC-System wird in jedem Prozess vom Materialeinkauf bis zur Verpackung der Endprodukte implementiert. Außerdem haben wir die ISO9001: 2015 Qualitätsmanagementsystem-Zertifizierung bestanden.
Mehr Details : www.gidi-chain.com





